12 МО

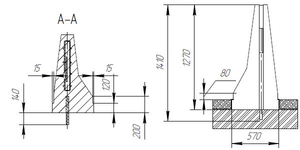
Чертеж изделия:
Характеристики изделия:
ПараметрЗначение
длина3552 мм
ширина570 мм
высота1410 мм
масса7000 кг
нормативный документТУ 5899-002-61548960-2010

12 МО  Блоки переходные  парапетного одностороннего ограждения мостовой группы по ТУ 5899-002-61548960-2010.