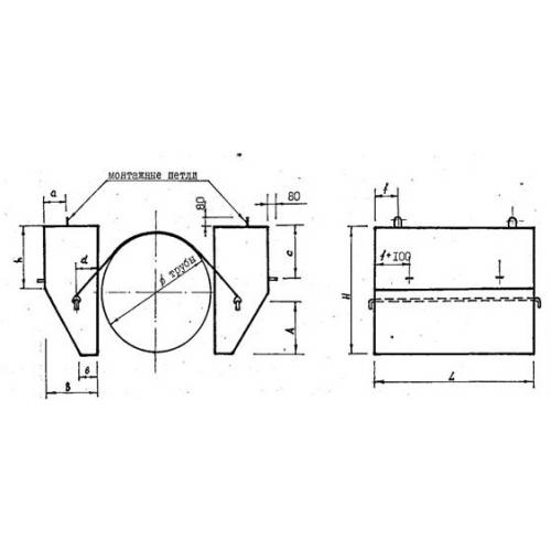
УБО-УМ 1020
Характеристики изделия:
| Параметр | Значение |
|---|---|
| длина | 1500 мм |
| ширина | 550 мм |
| высота | 1100 мм |
| масса | 4100 кг |
| нормативный документ | ТУ 5853-003-89632342-2009 |
Цена:
Рассчитать стоимостьУБО-УМ 1020 Утяжелители охватывающего типа по ТУ 5853-003-89632342-2009.
