ПР 30.2.2

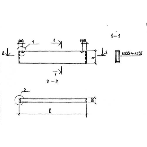
Чертеж изделия:
Характеристики изделия:
ПараметрЗначение
длина2980 мм
ширина200 мм
высота220 мм
вес100 кг
серияТП 213-2-183

ПР 30.2.2 Перемычки по проекту ТП 213-2-183.