ПД
Характеристики изделия:
| Параметр | Значение |
|---|---|
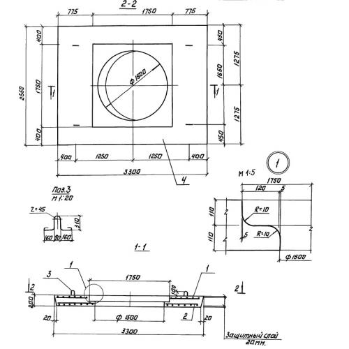
| длина | 3300 мм |
| ширина | 2550 мм |
| высота | 200 мм |
| вес | 3250 кг |
| серия | ТПР 902-09-22.84 |
Цена:
Рассчитать стоимостьПД Плиты дорожные по проекту ТПР 902-09-22.84.
| Параметр | Значение |
|---|---|
| длина | 3300 мм |
| ширина | 2550 мм |
| высота | 200 мм |
| вес | 3250 кг |
| серия | ТПР 902-09-22.84 |
ПД Плиты дорожные по проекту ТПР 902-09-22.84.
