ПЛХ-5

Чертеж изделия:
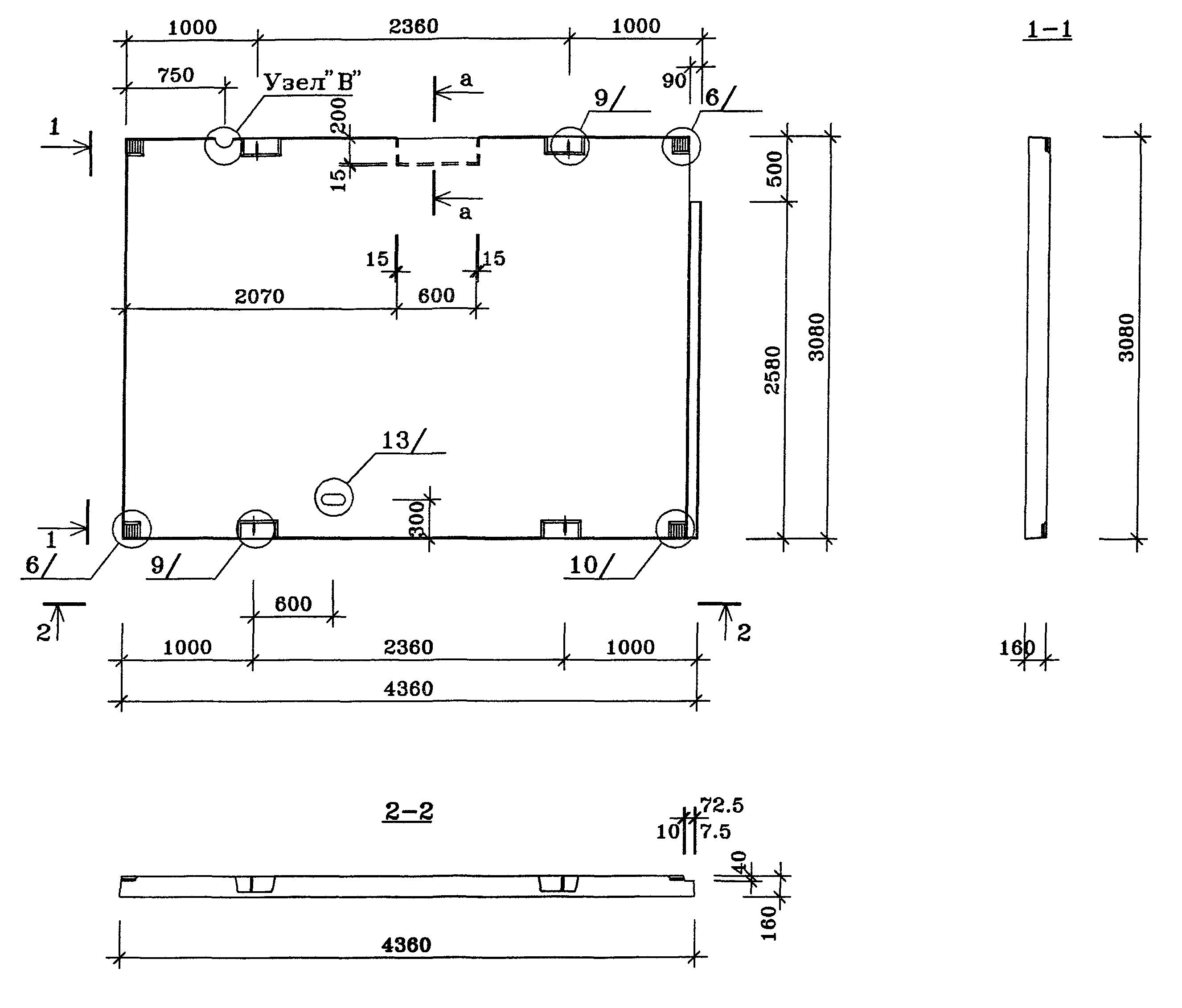
Характеристики изделия:
ПараметрЗначение
Длина L4360 мм
Ширина В3080 мм
Высота Н160 мм
Вес5060 кг
СерияИЖ 4.2-1
Норма погрузки на машину (20тн)4 шт
Вагонная норма погрузки-

Плита лифтового холла ПЛХ-5 изготавливаются по чертежам серии ИЖ 4.2-1 и предназначены для возведения лестниц при строительстве жилых зданий с высотой потолка 3 метра.