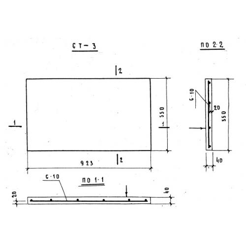
СТ 3

Чертеж изделия:
Характеристики изделия:
ПараметрЗначение
длина923 мм
ширина550 мм
высота40 мм
масса50 кг
нормативный документСерия ИИС 04-7

СТ 3  Накладные проступи по Серии ИИС 04-7.