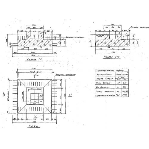
ПТ-Ф1

Чертеж изделия:
Характеристики изделия:
ПараметрЗначение
длина3300 мм
ширина2600 мм
высота900 мм
масса9500 кг
нормативный документСерия 3.507-1

ПТ-Ф1 Башмак фундаментный подземных тоннелей по Серии 3.507-1.