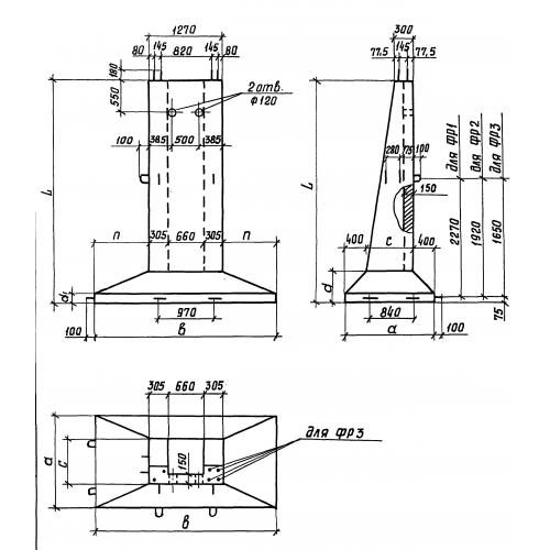
ФР 2

Чертеж изделия:
Характеристики изделия:
ПараметрЗначение
длина4000 мм
ширина1600 мм
высота3250 мм
вес8500 кг
серия3.501.1-153

ФР 2 Фундаменты  раздельные по серии 3.501.1-153.