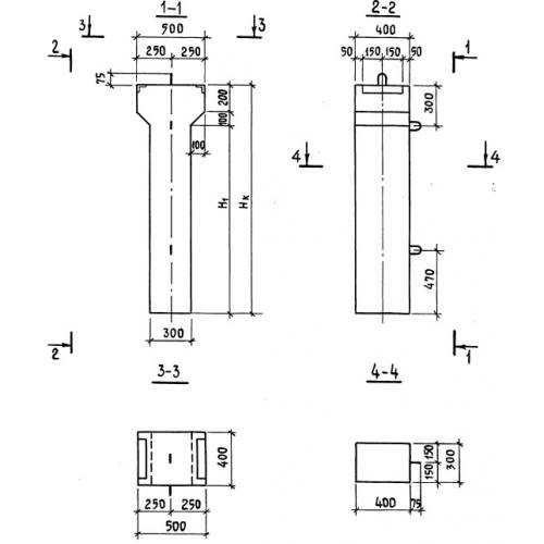
К 27

Чертеж изделия:
Характеристики изделия:
ПараметрЗначение
длина1990 мм
ширина500 мм
высота400 мм
масса650 кг
нормативный документ3.006.1-3/83

К 27 Колонны тоннелей Серия 3.006.1-3/83.