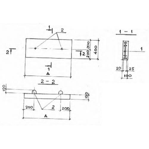
ПП 2 плита

Чертеж изделия:
Характеристики изделия:
ПараметрЗначение
длина790 мм
ширина400 мм
высота100 мм
масса90 кг
нормативный документСерия 3.006.1-2/87

ПП 2 Плиты перекрытия лотков (плоские подкладки) Серия 3.006.1-2/87.