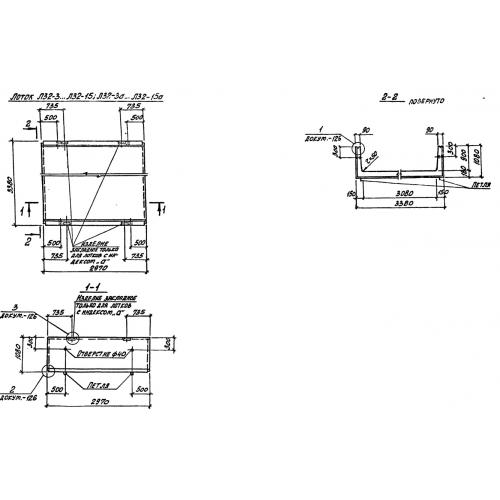
Л 32/2 лотки

Чертеж изделия:
Характеристики изделия:
ПараметрЗначение
длина2970 мм
ширина3380 мм
высота1080 мм
масса6150 кг
нормативный документСерия 3.006.1-2/87

Л 32/2 Лотки теплотрасс Серия 3.006.1-2/87.