ОП 2
Характеристики изделия:
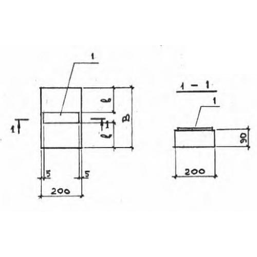
| Параметр | Значение |
|---|---|
| длина | 200 мм |
| ширина | 300 мм |
| высота | 90 мм |
| масса | 13 кг |
| нормативный документ | Серия 3.006.1-2/82 |
Цена:
Рассчитать стоимостьОП 2 Опорные подушки Серия 3.006.1-2/82.
| Параметр | Значение |
|---|---|
| длина | 200 мм |
| ширина | 300 мм |
| высота | 90 мм |
| масса | 13 кг |
| нормативный документ | Серия 3.006.1-2/82 |
ОП 2 Опорные подушки Серия 3.006.1-2/82.
