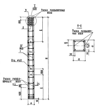
1К 33 колонны

Чертеж изделия:
Характеристики изделия:
ПараметрЗначение
длина3300 мм
ширина200 мм
высота200 мм
масса330 кг
нормативный документСерия 1.823.1-2

1К 33  Колонны для крайнего ряда Серия 1.823.1-2.