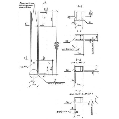
3К 114 колонны

Чертеж изделия:
Характеристики изделия:
ПараметрЗначение
длина11850 мм
ширина700 мм
высота400 мм
масса8400 кг
нормативный документСерия 1.423.1-5/88

3К 114 Колонны  Серия 1.423.1-5/88.