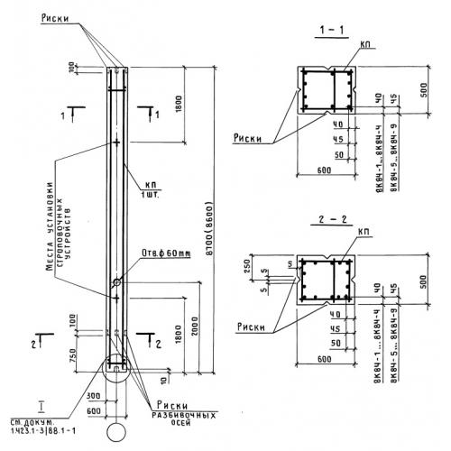
8К 84 колонны

Чертеж изделия:
Характеристики изделия:
ПараметрЗначение
длина8700 мм
ширина500 мм
высота600 мм
масса6500 кг
нормативный документСерия 1.423.1-3/88

8К 84 Колонны Серия 1.423.1-3/88.