ПП 15.6
Характеристики изделия:
| Параметр | Значение |
|---|---|
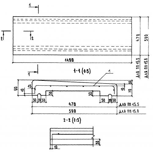
| длина | 1490 мм |
| ширина | 590 мм |
| высота | 70 мм |
| масса | 130 кг |
| нормативный документ | Серия 1.238-1 |
Цена:
Рассчитать стоимостьПП 15.6 Плиты парапетные Серия 1.238-1.
| Параметр | Значение |
|---|---|
| длина | 1490 мм |
| ширина | 590 мм |
| высота | 70 мм |
| масса | 130 кг |
| нормативный документ | Серия 1.238-1 |
ПП 15.6 Плиты парапетные Серия 1.238-1.
