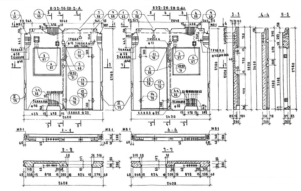
ВЭ2-26-28-2-д
Характеристики изделия:
| Параметр | Значение |
|---|---|
| длина | 2620 мм |
| ширина | 200 мм |
| высота | 2780 мм |
| масса | 2200 кг |
| нормативный документ | Серия 1.131-10 |
Цена:
Рассчитать стоимостьСерия 1.131-10 Панели групп ВЭ1, ВЭ2, ВЭ4 длиной от 2,4 до 6 м толщиной 200 мм.
ВЭ2-26-28-2-д Внутренние стеновые электротехнические панели.