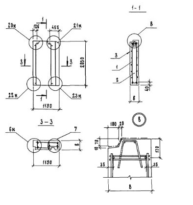
6ПСН 12.20.40-п-1л

Чертеж изделия:
Характеристики изделия:
ПараметрЗначение
длина1190 мм
ширина400 мм
высота2030 мм
масса1350 кг
нормативный документСерия 1.117.1-20

Панели наружных цокольных стен. Панели толщиной 400 и 450 мм (Серия 1.117.1-20).

6ПСН 12.20.40-п-1л  Панели стеновые наружные.   

п-пористый бетон.

л - "левое" исполнение.