ПС 12.33.3,5-П-ПВ

Чертеж изделия:
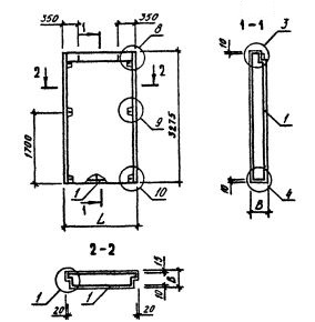
Характеристики изделия:
ПараметрЗначение
длина1190 мм
ширина350 мм
высота3275 мм
масса1370 кг
нормативный документСерия 1.090.1-3пв

Панели наружных стен однослойные для зданий с высотой этажа 3,3 м (Серия 1.090.1-3пв).

ПС 12.33.3,5-П-ПВ   Панели стеновые без проемов (глухие).

 Марка содержит обозначение основных характеристик панели и состоит из буквенно-цифровых групп.

Цифра в первой группе означает: в панелях с оконными и дверными проемами - отличие в размерах или расположении проема, отличие в типах или расположении вертикальных торцов панели (зеркальность); в панелях без проемов - отличие в типах или расположении вертикальных торцов панели (зеркальность).

Группа букв означает название стеновой панели.

Группа цифр (записаны через точку) обозначает габариты панели (длина, высота, толщина) в дециметрах.

Во второй группе цифр указан тип несущей способности перемычки панели.

П - вид бетона - бетон на пористых заполнителях.

ПВ - изделие предназначено для строительства зданий на просадочных грунтах и на подрабатываемых территориях.