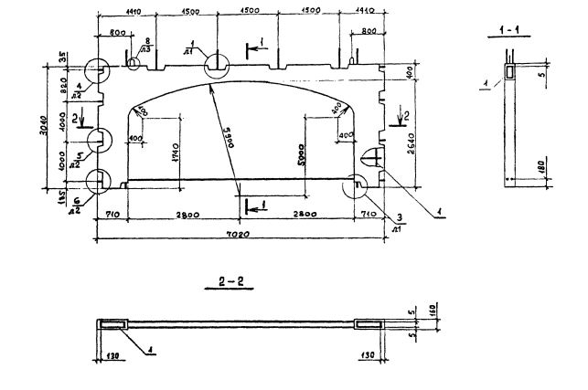
ПВА 70.30.56-7Т-С
Характеристики изделия:
| Параметр | Значение |
|---|---|
| длина | 7020 мм |
| ширина | 160 мм |
| высота | 3040 мм |
| масса | 3450 кг |
| нормативный документ | Серия 1.090.1-2с |
Цена:
Рассчитать стоимостьПВА 70.36.56-7Т-С Панели внутренние арочные (Серия 1.090.1-2с).
3Т - бетон тяжелый марки М250.
7Т - бетон тяжелый марки М250, панель с косвенным армированием.
С - для сейсмических районов.