ПВА 28.30.20-7Т-С

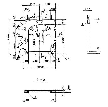
Чертеж изделия:
Характеристики изделия:
ПараметрЗначение
длина2820 мм
ширина160 мм
высота3040 мм
масса1400 кг
нормативный документСерия 1.090.1-2с

ПВА 28.30.20-7Т-С  Панели внутренние арочные (Серия 1.090.1-2с).

3Т - бетон  тяжелый марки М250.

7Т - бетон  тяжелый марки М250, панель с косвенным армированием.

С - для сейсмических районов.