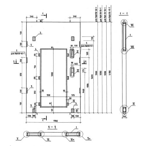
ПШЛ 50-42

Чертеж изделия:
Характеристики изделия:
ПараметрЗначение
длина1960 мм
ширина140 мм
высота4180 мм
вес2150 кг
серия1.089.1-2

ПШЛ 50-42 Панель шахты для пассажирского лифта по серии 1.089.1-2.