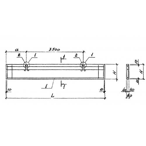
ПГ 50.6 панели перегородки

Чертеж изделия:
Характеристики изделия:
ПараметрЗначение
длина5040 мм
ширина80 мм
высота585 мм
масса380 кг
нормативный документСерия 1.030.9-2

ПГ 50.6   Перегородки панельные зданий промышленных и сельскохозяйстыенных предприятий Серия 1.030.9-2.