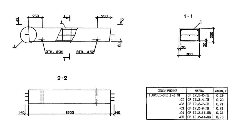
СР 12.2

Чертеж изделия:
Характеристики изделия:
ПараметрЗначение
длина1480 мм
ширина300 мм
высота200 мм
масса230 кг
нормативный документСерия 1.020.1-3пв

СР 12.2  Связи-распорки Серия 1.020.1-3пв.