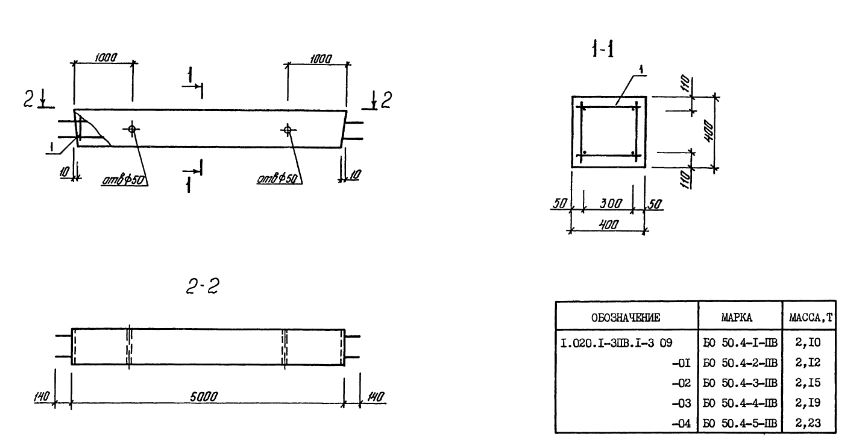
БО 50.4

Чертеж изделия:
Характеристики изделия:
ПараметрЗначение
длина5280 мм
ширина400 мм
высота400 мм
масса2230 кг
нормативный документСерия 1.020.1-3пв

БО 50.4  Балки обвязочные Серия 1.020.1-3пв.