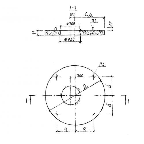
ПВГ 15 плиты перекрытия колодцев

Чертеж изделия:
Характеристики изделия:
ПараметрЗначение
длина1720 мм
ширина1720 мм
высота140 мм
масса680 кг
нормативный документАльбом РК 2201-82

ПВГ 15  Круглые плиты перекрытия с отверстием у центра Альбом РК 2201-82.